

座机:0771-5791162
邮箱:2604045678@qq.com
微信号:13667715899
生产基地:广西南宁市高新区科创路10号2#车间1楼1-1
浙江销售中心:浙江绍兴l中国纺织五金机电城
江苏销售中心:江苏省泰兴市黄桥镇(13809016333 汪路)



序号 | 变更点 | 更改前YC4D60-D21 | 更改后YC4D60-D25 |
1 | 排气管出口水平距离 | 278 | 206 |
2 | 回水管出口水平距离 | 170 | 183 |
3 | 空滤朝气口水平距离 | 66 | 170 |
4 | 空滤遮雨帽顶高 | 688 | 644 |
5 | 进水口高度 | 66 | 153 |
6 | 进水口直径 | 50 | 45 |
7 | 风扇中心水平距离 | 42 | 13.5 |
8 | 进水口水平距离 | 210 | 205 |
9 | 风扇中心高 | 472 | 220 |
10 | 排气管口高 | 464 | 457 |
11 | 回水口高 | 630 | 550 |
12 | 回水口轴向距离 | 309 | 257 |
13 | 空滤器轴向距离 | 633 | 200 |
14 | 排气管口轴向距离 | 322 | 368 |
15 | 风扇轴向距离 | 338 | 257 |
16 | 进水口轴向距离 | 273 | 262 |
17 | 风扇扇叶厚 | 45 | 50 |
18 | 消声器 | D7200-1201100 | 1TD300-1201100 |


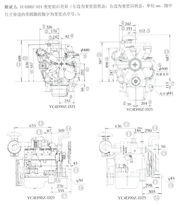
序号 | 变更点 | 更改前YC4D60-D21 | 更改后YC4D60-D25 |
1 | 增压器涡轮后接管口水平距离 | 326 | 242 |
2 | 回水管出口水平距离 | 174 | 191 |
3 | 空滤进气口水平距离 | 147 | 112 |
4 | 风扇直径 | 480 | 500 |
5 | 进水口高 | 157 | 113 |
6 | 进水口直径 | 50 | 45 |
7 | 进水口水平距离 | 230 | 204 |
8 | 风扇中心水平距离 | 0 | 10 |
9 | 风扇中心高 | 185 | 247 |
10 | 回水口中心高 | 509 | 587 |
11 | 增压器涡轮后接管口高 | 589 | 498 |
12 | 空滤器遮雨帽顶中心高 | 800 | 687 |
13 | 空滤遮雨帽顶中心轴向距离 | 633 | 636 |
14 | 增压器涡轮后接管口轴向距离 | 87 | 141 |
15 | 回水口轴向距离 | 376 | 290 |
16 | 风扇扇叶厚 | 45 | 50 |
17 | 进水口轴向距离 | 279 | 305 |
18 | 风扇轴向距离 | 315 | 298 |
19 | 消声器 | 644-1201100A | 1TD300-1201100 |


序号 | 变更点 | 更改前YC4D60-D21 | 更改后YC4D60-D25 |
1 | 增压器涡轮后接管口水平距离 | 326 | 242 |
2 | 回水管出口水平距离 | 174 | 191 |
3 | 中冷后空气进气口水平距离 | 197 | 178 |
4 | 空滤器遮雨帽顶中心高 | 800 | 760 |
5 | 压缩空气进口中心高 | 594 | 550 |
6 | 风扇直径 | 480 | 550 |
7 | 进水口直径 | 50 | 45 |
8 | 进水口水平距离 | 230 | 204 |
9 | 风扇水平偏移 | 0 | 10 |
10 | 压缩空气出口水平距离 | 265 | 压气管出口连接管及相应的胶管由水箱厂家带,压气机出口直径50 |
11 | 压气机连接管口直径 | 70 | |
12 | 压气机连接管口高 | 148 | |
13 | 增压器涡轮后接管口中心高 | 589 | 498 |
14 | 回水口中心高 | 620 | 587 |
15 | 回水口轴向距离 | 350 | 286 |
16 | 中冷后空气进气口轴向距离 | 299 | 89 |
17 | 增压器涡轮后接管口轴向距离 | 85 | 166 |
18 | 空滤遮雨帽顶中心轴向距离 | 634 | 656 |
19 | 风扇轴向距离 | 316 | 283 |
20 | 中冷后空气进气口轴向距离 | 288 | 中冷后连接管由水箱厂家提供 |
21 | 进水口轴向距离 | 279 | 251 |
22 | 进水口中心高 | 157 | 113 |
23 | 风扇中心高 | 185 | 247 |
24 | 风扇扇叶厚 | 45 | 50 |
如需了解更多相关详情欢迎关注下方微信二维码↓↓↓

扫一扫 关注微信